Hva skjer

8613695896685

Send oss ​​en e-post

export@allvalve.cn

Produkter
ANSI 150LB flensventil i rustfritt stål
  • ANSI 150LB flensventil i rustfritt stålANSI 150LB flensventil i rustfritt stål
  • ANSI 150LB flensventil i rustfritt stålANSI 150LB flensventil i rustfritt stål
  • ANSI 150LB flensventil i rustfritt stålANSI 150LB flensventil i rustfritt stål

ANSI 150LB flensventil i rustfritt stål

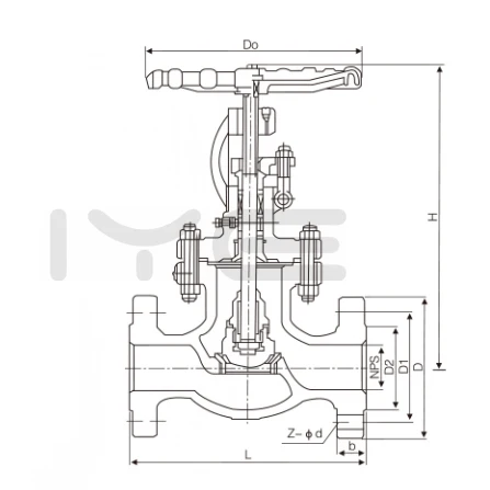
DIYE VALVE - en eksportør av ANSI 150LB rustfritt stål flensed Globe Valve. Våre ANSI flensede klodeventiler er strengt designet og produsert i samsvar med internasjonale standarder inkludert ANSI/ASME B16.34. Ventilhusene er laget av materialer av høy kvalitet som 304/316/316L rustfritt stål, utstyrt med en standardisert flensforbindelsesstruktur, og egnet for trykkklasser fra klasse 150 til klasse 600. Nominell diameter

1. ANSI 150LB flensventil i rustfritt stål har en stigende stammeskivedesign. Dens skive- og setetetningsflater er presisjonsslipt eller overliggende sveiset med Stellite-legering, og gir utmerket tetningsytelse og muliggjør effektiv middelstrømsregulering under av-på-operasjoner. Ventilspindelen er tilgjengelig i utvendig skrue og åk (OS&Y) eller ikke-stigende spindeldesign for å forhindre middels lekkasje, noe som gjør den egnet for arbeidsforhold som involverer høyt trykk og høyrent media.

2. Maskinering av ventilhus: Flensflatene, tetningsflatene og mellomflensforbindelsesflatene til ANSI-flensventilen er presisjonsdreid og slipt av CNC-maskinverktøy, noe som sikrer en tett tetningspasning med rørledningsflenser og samsvarer med ANSI B16.5 flensstandarden.

3. Bearbeiding av ventilstamme: Ventilspindelen til ANSI 150LB Stainless Steel Flensed Globe Valve  er laget av høyfast stang i rustfritt stål gjennom dreiing, bråkjøling og herding av varmebehandling og gjengemaskineringsprosesser. Overflaten utsettes for nitrerings- eller forkromningsbehandling for å forbedre korrosjons- og slitestyrken, og tilpasser seg langsiktige av-på-operasjoner under høytrykksarbeidsforhold.


Våre fordeler


1.Med et dyptgående engasjement i det oversjøiske markedet, samsvarer vår ANSI 150LB stainless Steel Flensed Globe Valve nøyaktig med internasjonale standarder og kundekrav, støttet av et modent og effektivt eksportservicesystem.

2.Vår Kina-produserte ANSI 150LB flensventil i rustfritt stål er produsert og inspisert i strengt samsvar med API/ANSI-standarder, noe som sikrer pålitelig forsegling og lang levetid for produktene.

3.Alle ANSI flensventiler leveres med ett års garanti. For ikke-menneskelig forårsaket feil innenfor garantiperioden, tilbys reparasjons- eller erstatningstjenester, noe som sikrer en bekymringsfri ettersalgsopplevelse.







Spørsmål: Hva er kjernefordelene med flensventil i rustfritt stål sammenlignet med portventil og kuleventil?

A: 150LB flensventilen i rustfritt stål er spesialisert på struping og strømningskontroll, som er dens største fordel. Sammenlignet med portventiler har den presis strømningsreguleringsytelse og bedre tetthet; sammenlignet med kuleventiler er den mer egnet for anledninger som krever stabil struping under middels og lavt trykk. Kombinert med korrosjonsmotstanden til 304/316L rustfritt stål, er det mye brukt i petrokjemiske, kraftverks- og presisjonsvæskekontrollsystemer.


Spørsmål: Hva er strømningsretningskravet for 150LB flensklodeventil i rustfritt stål under installasjon?

A: Den har strenge krav til strømningsretning og må installeres i samsvar med retningen "lavt inn og høyt ut" merket på ventilhuset. Denne utformingen sikrer at ventilskiven presses tett mot ventilsetet under påvirkning av middels trykk, noe som forbedrer tetningsytelsen. Hvis den installeres i revers, vil den ikke bare redusere strupingsnøyaktigheten og tetningseffekten, men også øke driftsmomentet og til og med forårsake ventilskade under høyt trykk.





Hot Tags: ANSI 150LB flensventil i rustfritt stål, leverandør av kuleventiler i rustfritt stål, produsent av industriklodeventiler
Send forespørsel
Kontaktinfo
Hvis du har spørsmål om tilbud eller samarbeid, vennligst send en e-post eller bruk følgende forespørsel. Vår salgsrepresentant vil kontakte deg innen 24 timer.
X
Vi bruker informasjonskapsler for å gi deg en bedre nettleseropplevelse, analysere nettstedstrafikk og tilpasse innhold. Ved å bruke denne siden godtar du vår bruk av informasjonskapsler. Personvernerklæring
Avvis Akseptere